联迈(Lanemark)FD热风炉系列燃烧加热系统
一体化集成设计,应用灵活,高调节比(燃气型),更可以完成“风/气”的同步调节。加之快捷方便的安装组合方式,提供给各类工业用户最有效的高性价比热风加热方法。
一、性能介绍
●燃烧洁净,适用于直燃/间接热风加热系统。
●可直接安装于热风烘干设备炉壁上,或安装在热风加热系统中,其安装方向可与工艺风平行或垂直。
●燃烧器采用新型的APL“气压导入”式控制燃气阀技术,助燃风机马达直接与外部的温控系统相连接,控制马达转速从而控制助燃风流量,燃气控制阀接收到压力变换及时调整燃气流量,保证10:1的空燃比,燃烧器在整个调节比范围内保持安全、高效、稳定的燃烧状态。
●大调节比,可达40:1,燃烧系统适用工况范围更广阔,升温速度快,控温精度高。
●火焰长度短,穿透力强,减小了对燃烧室的空间需求,降低了配套设备成本。
●燃烧系统符合欧洲EN746标准设计、制造,检验合格后方能出厂。
MIDCO燃烧器配置
燃烧器型号 | 管路接口 | 输出(大) | Min输出 | 火焰长度 | 火焰直径 | max压力 | 助燃空气 | 助燃风压 |
FD5 | DN25mm | 220 Kw | 9 Kw | 600mm | Φ260 | 8mbar | 239m3/h | 2.6mbar |
FD10 | DN32mm | 440 Kw | 13 Kw | 1200mm | Φ350 | 6mbar | 478m3/h | 4.2mbar |
FD15 | DN40mm | 660 Kw | 18 Kw | 1300mm | Φ410 | 6mbar | 717m3/h | 5.3mbar |
FD20 | DN50mm | 880 Kw | 22 Kw | 1800mm | Φ500 | 6mbar | 955m3/h | 4.5mbar |
FD25 | DN50mm | 1000 Kw | 25 Kw | 2000mm | Φ500 | 8mbar | 1083m3/h | 5.8mbar |
FD30 | DN65mm | 1200 Kw | 30 Kw | 2300mm | Φ600 | 9mbar | 1306m3/h | 1.9mbar |
FD35 | DN65mm | 1465 Kw | 35 Kw | 2500mm | Φ600 | 13mbar | 1592m3/h | 2.9mbar |
燃烧器本体;助燃风机;整体式空气/燃气比例调节阀;符合美国NFPA欧洲EN746安全标准的双关断阀管路系统;迷你型燃烧控制柜(不含温控温限)或中型燃烧控制系统(含温控温限),中央控制系统(含PLC)。
名称 | 配置 | 可选 |
燃料种类 | 天然气 | 丙烷 |
控制电源 | 230V | 110V |
管路系统 | 美标 | 欧标 |
风机电源 | 400V/3ph/50Hz或60Hz | 230V/1ph/50Hz |
火焰检测 | 离子棒或UV检测器* | 离子棒或UV检测器* |
输出控制 | 开/关或高/低火 | 比例调节 |
备注:* FD-C 和FD-E燃烧系统标准配置为开/关或高/低火控制,可选配置为比例调节(只调燃气型)(信号:0-10V DC 或 4-20mA 或 3 位(24//110/230V),FD-C(GA)燃烧系统标准配置为高/低火控制或比例调节(气与助燃空气同步调节型)(信号为: 4-20mA )可选配置为比例调节信号0-10V DC。
MIDCO燃烧器可应用于两种工艺加热形式:
A. 直燃加热
B. 间接换热
FD-DF直燃式热风炉/干燥炉
直燃加热 – 燃烧产物直接参与工艺气流的加热,可以为工艺应用提供一个极高的加热效率。这种直燃加热方式加热效率高、冷炉升温快,要求所配置的燃烧器具备大调节比、并能保证在10:1的空燃比例条件下洁净燃烧,在温度需要控制的工况下,需要“高调节比”的控制机构,而联迈FD系列燃烧器完全可以满足其应用需求。
燃烧时的火焰短也是FD系列燃烧器的一大亮点,在许多需要直接加热的应用中,此设计使得燃烧机系统可以与主循环风机的入口保持最近的距离,在提高加热效率的同时,也降低了加热装置的制造费用及体积。

FD-IDF间接换热热风炉/干燥炉
间接换热 – 指那些燃烧产物不允许进入主工艺气流的工况。这种形式的加热方式一般出现在有潜在危险的可燃物或者是食品工业应用的情况下,此时燃烧器系统需要配置一个换热器。一个典型的热交换器组成包括:一个燃烧室和一系列用于给工艺气流加热的二级换热管。燃烧剩余气体通过排烟管道排放到大气中。
FD烧嘴结构

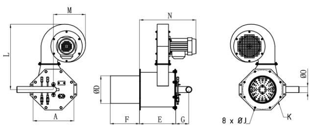
燃烧器规格尺寸

型号 | A mm | D mm | E mm | F mm | G mm | J mm | K mm | *L mm | M mm | N mm | O mm |
FD5 | Ф230 | Ф160 | 209 | 200 | 85 | 10 | 225 | 397(656) | 207(391) | 371(485) | 25 |
FD10 | Ф280 | Ф200 | 247 | 200 | 90 | 10 | 268 | 450(681) | 220(391) | 390(503) | 32 |
FD15 | Ф340 | Ф250 | 312 | 200 | 120 | 12 | 330 | 507(787) | 220(436) | 459(613) | 40 |
FD20 | Ф390 | Ф290 | 359 | 200 | 125 | 12 | 380 | 560(840) | 219(436) | 523(643) | 50 |
FD25 | Ф390 | Ф290 | 359 | 200 | 125 | 12 | 380 | 791(840) | 363(436) | 558(643) | 50 |
FD30 | Ф460 | Ф330 | 406 | 200 | 150 | 11 | 445 | 806(907) | 392(491) | 588(750) | 65 |
FD35 | Ф460 | Ф330 | 406 | 200 | 150 | 11 | 445 | 855(907) | 436(491) | 654(750) | 65 |
*标准助燃风机尺寸,括号内为高压助燃风机尺寸 | |||||||||||
燃烧器型号 | A mm | D mm | E mm | F mm | G mm | J mm | K mm | L mm | J mm | N mm | O mm |
FD5 | φ230 | φ160 | 209 | 200 | 85 | 10 | 225 | 397(656) | 207(391) | 371(485) | 25 |
FD10 | φ280 | φ200 | 247 | 200 | 90 | 10 | 268 | 450(681) | 220(391) | 390(503) | 32 |
FD15 | φ340 | φ250 | 312 | 200 | 120 | 12 | 330 | 507(787) | 220(436) | 459(613) | 40 |
FD20 | φ390 | φ290 | 359 | 200 | 125 | 12 | 380 | 560(840) | 219(436) | 523(643) | 50 |
FD25 | φ390 | φ290 | 359 | 200 | 125 | 12 | 380 | 791(840) | 363(436) | 558(643) | 50 |
FD30 | φ460 | φ330 | 406 | 200 | 150 | 11 | 445 | 806(907) | 392(491) | 588(750) | 65 |
FD35 | φ460 | φ330 | 406 | 200 | 150 | 11 | 445 | 855(907) | 436(491) | 654(750) | 65 |
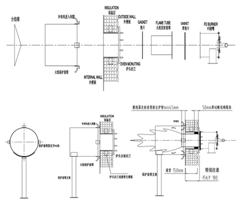
联迈FD燃烧系统配安装示意图

联迈FD直燃燃烧系统配套尺寸参数


名称
型号 | 炉子法兰 | 炉子法兰开孔 | 固定螺栓位置 | 固定螺栓直径 | 保护套筒直径 | 保护套筒长度 | 分焰锥距离 | 分焰锥直径 | 发射套筒直径 | 燃烧器法兰 |
C*C | φD | φF | P | φB | L | M | φN | φR | A | |
FD5 | 310 | 201 | 225 | 8 | 500 | 500 | 600 | 550 | 150 | 230 |
FD10 | 360 | 240 | 268 | 8 | 500 | 500 | 1200 | 550 | 190 | 280 |
FD15 | 420 | 296 | 330 | 10 | 600 | 500 | 1300 | 650 | 240 | 340 |
FD20 | 470 | 341 | 380 | 10 | 700 | 500 | 1700 | 750 | 280 | 390 |
FD25 | 470 | 341 | 380 | 10 | 700 | 500 | 1700 | 750 | 280 | 390 |
FD30 | 540 | 401 | 445 | 10 | 800 | 500 | 2000 | 850 | 325 | 460 |
FD35 | 540 | 401 | 445 | 10 | 800 | 500 | 2000 | 850 | 325 | 460 |
联迈FD间接加热燃烧系统配套尺寸参数



典型应用
名称
型号 | 热风炉法兰 | 日热风炉法兰开孔 | 固定螺栓位置 | 固定螺栓直径 | 燃烧室长度 | 燃烧室直径 | 发射套筒直径 | 燃烧器法兰 |
C*C | φD | φF | P | M | φN | φR | A | |
FD5 | 310 | 201 | 225 | 8 | 1200 | 550 | 150 | 230 |
FD10 | 360 | 240 | 268 | 8 | 1500 | 550 | 190 | 280 |
FD15 | 420 | 296 | 330 | 10 | 1800 | 650 | 240 | 340 |
FD20 | 470 | 341 | 380 | 10 | 1800 | 750 | 280 | 390 |
FD25 | 470 | 341 | 380 | 10 | 1800 | 750 | 280 | 390 |
FD30 | 540 | 401 | 445 | 10 | 2000 | 850 | 325 | 460 |
FD35 | 540 | 401 | 445 | 10 | 2000 | 850 | 325 | 460 |
产品加工成型 – 预热处理 – 喷涂固化、烘干 – 对流炉、连续炉、热处理炉 | 织物烘干 压铸成型 食品加工 粮食烘干 |